RJ6806-00-00 Series MAORB-FP 90°
Description
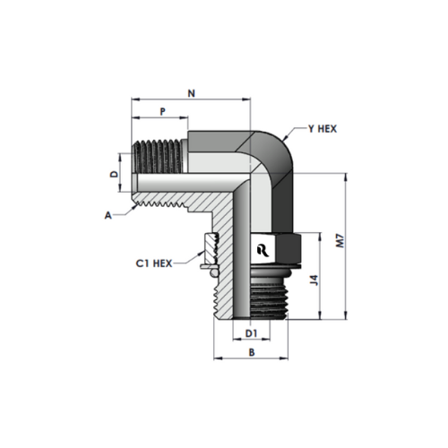
| Tube O.D. |
A THREAD |
B THREAD |
Y Hex |
C1 Hex |
N |
M7 |
P |
J4 |
D Drill |
D1 Drill |
Part Number |
Torque N-m |
Working pressure in Bar |
| 1/4″ |
1/4″-18NPTF-2 |
7/16″-20UNF-2A |
14.27 |
14.28 |
27.70 |
30.20 |
9.70 |
18.20 |
4.8 |
4.4 |
RJ-6806-04-04-NWO |
15-16 |
345 |
| 3/8″ |
3/8″-18NPTF-2 |
9/16″-18UNF-2A |
19.05 |
17.46 |
31.00 |
33.50 |
14.20 |
19.10 |
7.00 |
7.50 |
RJ-6806-06-06-NWO |
24-28 |
345 |
| 1/2″ |
1/2″-14NPTF-2 |
3/4″-16UNF-2A |
22.23 |
22.22 |
37.30 |
39.10 |
14.20 |
21.90 |
10.30 |
9.90 |
RJ-6806-08-08-NWO |
49-53 |
310 |
| 3/4″ |
3/4″-14NPTF-2 |
1-1/16″-12UN-2A |
26.97 |
31.75 |
40.40 |
49.30 |
19.00 |
21.90 |
18.30 |
12.30 |
RJ-6806-12-12-NWO |
107-119 |
240 |
| 1″ |
1″-11-1/2NPTF-2 |
1-5/16″-12UN-2A |
33.32 |
38.10 |
50.00 |
52.10 |
23.90 |
23.10 |
23.80 |
21.40 |
RJ-6806-16-16-NWO |
147-154 |
210 |
| 1-1/4″ |
1-1/4″-11-1/2NPTF-2 |
1-5/8″-12UN-2A |
41.28 |
47.60 |
60.50 |
57.20 |
24.60 |
29.00 |
31.70 |
27.40 |
RJ-6806-20-20-NWO |
172-181 |
170 |
| 1-1/2″ |
1-1/2″-11-1/2NPTF-2 |
1-7/8″-12UN-2A |
47.63 |
53.97 |
67.10 |
60.70 |
25.40 |
29.00 |
38.00 |
33.30 |
RJ-6806-24-24-NWO |
215-226 |
140 |
| 1-1/4″ |
2″-11-1/2NPTF-2 |
2″-12UN-2A |
63.50 |
69.85 |
76.20 |
73.40 |
26.20 |
29.00 |
49.00 |
45.20 |
RJ-6806-32-32-NWO |
332-350 |
105 |
Reviews
There are no reviews yet.