RJFS6502-00-00 Series MFS-FFSS 45° ELBOW
Description
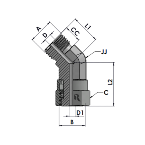
| Tube O.D. |
A THREAD |
B THREAD |
L1 LENGTH |
L2 LENGTH |
CC LENGTH |
D DRILL |
D1 DRILL |
JJ Hex |
C Hex |
Part Number |
Torque N-m |
Working pressure in Bar |
| 1/4″ |
9/16″-18 |
9/16″-18 |
16.00 |
25.15 |
9.80 |
4.40 |
4.20 |
14.29 |
17.46 |
RJ-FS6502-04-04 |
14-16 |
413 |
| 3/8″ |
11/16″-18 |
11/16″-18 |
18.80 |
28.45 |
11.20 |
6.70 |
6.70 |
19.05 |
20.64 |
RJ-FS6502-06-06 |
24-27 |
413 |
| 1/2″ |
13/16″-16 |
13/16″-16 |
20.32 |
37.85 |
12.80 |
0.60 |
9.10 |
19.05 |
23.81 |
RJ-FS6502-08-08 |
43-47 |
413 |
| 5/8″ |
1″-14 |
1″-14 |
23.37 |
38.86 |
15.50 |
12.30 |
11.50 |
26.99 |
28.58 |
RJ-FS6502-10-10 |
60-68 |
413 |
| 3/4″ |
1-3/16″-12 |
1-3/16″-12 |
25.91 |
43.94 |
17.00 |
15.50 |
13.90 |
30.16 |
34.92 |
RJ-FS6502-12-12 |
90-95 |
413 |
| 1″ |
1-7/16″-12 |
1-7/16″-12 |
29.97 |
47.50 |
17.50 |
20.60 |
19.90 |
36.51 |
41.28 |
RJ-FS6502-16-16 |
125-135 |
413 |
| 1-1/4″ |
1-11/16″-12 |
1-11/16″-12 |
32.00 |
50.29 |
17.50 |
26.00 |
26.00 |
41.28 |
47.62 |
RJ-FS6502-20-20 |
170-190 |
275 |
Reviews
There are no reviews yet.