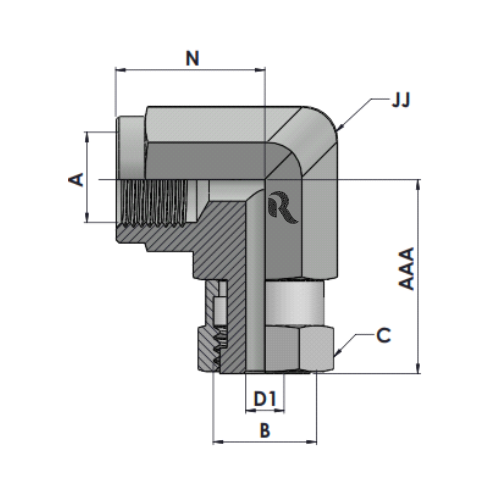
Description
| Tube O.D. | A THREAD | B THREAD | N LENGTH | AAA LENGTH | D1 DRILL | JJ Hex | C Hex | Part Number | Torque N-m | Working pressure in Bar |
|---|---|---|---|---|---|---|---|---|---|---|
| 1/4″ | 1/4″-19BSPP-A | 9/16″-18 | 22.35 | 26.40 | 4.20 | 19.05 | 17.46 | RJ-FS6503-04-04 | 14-16 | 413 |
| 3/8″ | 3/8″-19BSPP-A | 11/16″-18 | 25.91 | 29.20 | 6.70 | 22.22 | 20.64 | RJ-FS6503-06-06 | 24-27 | 413 |






Reviews
There are no reviews yet.