RJFS6801-00-00-NWO Series MFS-MAORB 90° ELBOW
Description
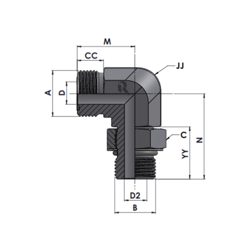
| Tube O.D. |
A THREAD |
B THREAD |
M LENGTH |
N LENGTH |
CC LENGTH |
YY LENGTH |
D DRILL |
D2 DRILL |
JJ Hex |
C Hex |
Part Number |
Torque N-m |
Working pressure in Bar |
| 1/4″ |
9/16″-18 |
7/16″-20 |
21.50 |
32.70 |
9.80 |
20.50 |
4.40 |
4.40 |
14.29 |
15.88 |
RJ-FS6801-04-04-NWO |
14-16 |
413 |
| 3/8″ |
11/16″-18 |
9/16″-18 |
25.00 |
36.80 |
11.20 |
22.40 |
6.70 |
7.50 |
19.05 |
19.05 |
RJ-FS6801-06-06-NWO |
24-27 |
413 |
| 1/2″ |
13/16″-16 |
3/4″-16 |
28.00 |
40.60 |
12.80 |
26.10 |
9.60 |
9.90 |
19.05 |
23.81 |
RJ-FS6801-08-08-NWO |
43-47 |
413 |
| 5/8″ |
1″-14 |
7/8″-14 |
33.30 |
50.00 |
15.50 |
30.20 |
12.30 |
12.00 |
26.99 |
26.99 |
RJ-FS6801-10-10-NWO |
60-68 |
413 |
| 3/4″ |
1-3/16″-12 |
1-1/16″-12 |
37.30 |
55.10 |
17.00 |
33.80 |
15.50 |
15.50 |
30.16 |
34.93 |
RJ-FS6801-12-12-NWO |
90-95 |
413 |
| 1″ |
1-7/16″-12 |
1-5/16″-12 |
41.70 |
59.70 |
17.50 |
34.60 |
20.60 |
21.40 |
36.51 |
41.28 |
RJ-FS6801-16-16-NWO |
125-135 |
413 |
| 1-1/4″ |
1-11/16″-12 |
1-5/8″-12 |
44.70 |
62.20 |
17.50 |
34.60 |
26.00 |
27.40 |
41.28 |
47.63 |
RJ-FS6801-20-20-NWO |
170-190 |
275 |
| 1-1/2″ |
2″-12 |
1-7/8″-12 |
48.80 |
65.80 |
17.50 |
34.60 |
32.00 |
33.30 |
47.62 |
53.98 |
RJ-FS6801-24-24-NWO |
200-225 |
275 |
Reviews
There are no reviews yet.