RJFS6802-NWO MFS-MAORB 45° Elbow
Description
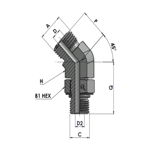
| Tube O.D. |
A THREAD |
C THREAD |
P LENGTH |
Q LENGTH |
D DRILL |
D2 DRILL |
H Hex |
B1 Hex |
Part Number |
Working pressure in Bar |
| 1/4″ |
9/16″-18 |
7/16″-20 |
16.00 |
30.00 |
4.40 |
4.40 |
14.28 |
15.88 |
RJ-FS6802-04-04-NWO |
413 |
| 1/4″ |
9/16″-18 |
9/16″-18 |
16.00 |
33.00 |
4.40 |
7.50 |
14.28 |
19.05 |
RJ-FS6802-04-06-NWO |
413 |
| 1/4″ |
9/16″-18 |
3/4″-16 |
16.00 |
36.30 |
4.40 |
9.90 |
19.05 |
23.81 |
RJ-FS6802-04-08-NWO |
413 |
| 3/8″ |
11/16″-16 |
7/16″-20 |
18.80 |
30.00 |
6.70 |
4.40 |
19.05 |
15.88 |
RJ-FS6802-06-04-NWO |
413 |
| 3/8″ |
11/16″-16 |
9/16″-18 |
18.80 |
33.00 |
6.70 |
7.50 |
19.05 |
19.05 |
RJ-FS6802-06-06-NWO |
413 |
| 3/8″ |
11/16″-16 |
3/4″-16 |
18.80 |
36.30 |
6.70 |
9.90 |
19.05 |
23.81 |
RJ-FS6802-06-08-NWO |
413 |
| 3/8″ |
11/16″-16 |
7/8″-14 |
18.80 |
44.70 |
6.70 |
12.30 |
26.99 |
26.99 |
RJ-FS6802-06-10-NWO |
413 |
| 1/2″ |
13/16″-16 |
9/16″-18 |
20.30 |
33.00 |
9.60 |
7.50 |
19.05 |
19.05 |
RJ-FS6802-08-06-NWO |
413 |
| 1/2″ |
13/16″-16 |
3/4″-16 |
20.30 |
36.30 |
9.60 |
9.90 |
19.05 |
23.81 |
RJ-S6802-08-08-NWO |
413 |
| 1/2″ |
13/16″-16 |
7/8″-14 |
20.30 |
44.70 |
9.60 |
12.30 |
26.99 |
26.99 |
RJ-FS6802-08-10-NWO |
413 |
| 1/2″ |
13/16″-16 |
1-1/16″-12 |
20.30 |
50.00 |
9.60 |
15.50 |
30.16 |
34.93 |
RJ-FS6802-08-12-NWO |
413 |
| 5/8″ |
1″-14 |
3/4″-16 |
23.40 |
36.30 |
12.30 |
9.90 |
26.99 |
23.81 |
RJ-FS6802-10-08-NWO |
413 |
| 5/8″ |
1″-14 |
7/8″-14 |
23.40 |
44.70 |
12.30 |
12.30 |
26.99 |
26.99 |
RJ-FS6802-10-10-NWO |
413 |
| 5/8″ |
1″-14 |
1-1/16″-12 |
23.40 |
50.00 |
12.30 |
15.50 |
30.16 |
34.93 |
RJ-FS6802-10-12-NWO |
413 |
| 3/4″ |
1-3/16″-12 |
3/4″-16 |
25.90 |
36.30 |
15.50 |
9.90 |
30.16 |
23.81 |
RJ-FS6802-12-08-NWO |
413 |
| 3/4″ |
1-3/16″-12 |
7/8″-14 |
25.90 |
44.70 |
15.50 |
12.30 |
30.16 |
26.99 |
RJ-FS6802-12-10-NWO |
413 |
| 3/4″ |
1-3/16″-12 |
1-1/16″-12 |
25.90 |
50.00 |
15.50 |
15.50 |
30.16 |
34.93 |
RJ-FS6802-12-12-NWO |
413 |
| 3/4″ |
1-3/16″-12 |
1-5/16″-12 |
25.90 |
52.30 |
15.50 |
21.40 |
36.51 |
41.28 |
RJ-FS6802-12-16-NWO |
345 |
| 1″ |
1-7/16″-12 |
1-1/16″-12 |
30.00 |
50.00 |
20.60 |
15.50 |
36.51 |
34.93 |
RJ-FS6802-16-12-NWO |
345 |
| 1″ |
1-7/16″-12 |
1-5/16″-12 |
30.00 |
52.30 |
20.60 |
21.40 |
36.51 |
41.28 |
RJ-FS6802-16-16-NWO |
345 |
| 1″ |
1-7/16″-12 |
1-5/8″-12 |
30.00 |
53.60 |
20.60 |
27.40 |
41.28 |
47.63 |
RJ-FS6802-16-20-NWO |
275 |
| 1-1/4″ |
1-11/16″-12 |
1-5/16″-12 |
32.00 |
52.30 |
26.00 |
21.40 |
41.28 |
41.28 |
RJ-FS6802-20-16-NWO |
275 |
| 1-1/4″ |
1-11/16″-12 |
1-5/8″-12 |
32.00 |
53.60 |
26.00 |
27.40 |
41.28 |
47.63 |
RJ-FS6802-20-20-NWO |
275 |
| 1-1/2″ |
2″-12 |
1-7/8″-12 |
36.80 |
53.60 |
32.00 |
33.30 |
47.62 |
53.98 |
RJ-FS6802-24-24-NWO |
275 |
Reviews
There are no reviews yet.